可根據要求訂製,以適應特定應用
由 TC&C 團隊設計製做,符合國際環保標準,採用優質線纜確保高性能。
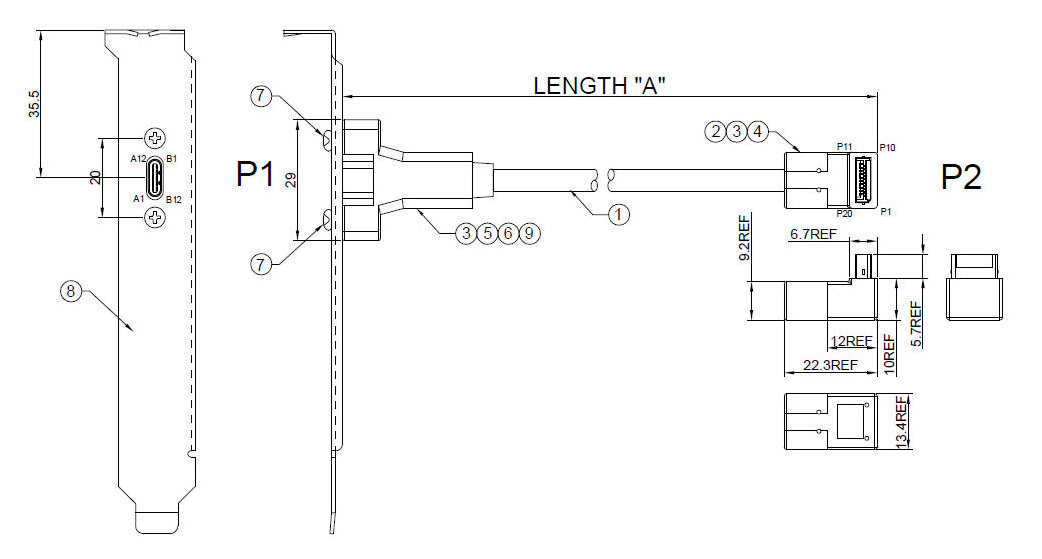
USB3.2 20P /M Right90° to Type-C /F +Iron can bracket